Гпд 5

Схема трансивера дружба м 4. Гпд на кп303 схема. Генератор плавного диапазона кв трансивера схемы. Гпд 5. Генератор плавного диапазона 3.
Схема трансивера дружба м 4. Гпд на кп303 схема. Генератор плавного диапазона кв трансивера схемы. Гпд 5. Генератор плавного диапазона 3.
Усилитель сигнала гпд трансивера. Генератор плавного диапазона трансивера 2. Генератор плавного диапазона кв трансивера схемы. Гпд 5. Ur5ffr трансивер.
Усилитель сигнала гпд трансивера. Генератор плавного диапазона трансивера 2. Генератор плавного диапазона кв трансивера схемы. Гпд 5. Ur5ffr трансивер.
Схемы генераторов плавного диапазона гпд. Гпд на микросхеме 160-80-40-метров. Генератор плавного диапазона на микросхемах. Гпд 5. Гпд для трансивера на 3 мгц.
Схемы генераторов плавного диапазона гпд. Гпд на микросхеме 160-80-40-метров. Генератор плавного диапазона на микросхемах. Гпд 5. Гпд для трансивера на 3 мгц.
Схема цифровой стабилизатор частоты гпд трансивера. Генератор плавного диапазона -2 трансивер дружба. Схема кварцевая стабилизация частоты гпд трансивера,. 5 мгц схема. Генератор плавного диапазона схема.
Схема цифровой стабилизатор частоты гпд трансивера. Генератор плавного диапазона -2 трансивер дружба. Схема кварцевая стабилизация частоты гпд трансивера,. 5 мгц схема. Генератор плавного диапазона схема.
5 мгц. Генератор плавного диапазона кв трансивера схемы. Смесители на 6а2п с гпд на кварце. Гпд 5. Гпд 5.
5 мгц. Генератор плавного диапазона кв трансивера схемы. Смесители на 6а2п с гпд на кварце. Гпд 5. Гпд 5.
Гпд для кв трансивера схемы. Гпд для кв трансивера схемы. Трансивер дружба м схема 4. Гпд-2 трансивер дружба. Генератор плавного диапазона кв трансивера схемы.
Гпд для кв трансивера схемы. Гпд для кв трансивера схемы. Трансивер дружба м схема 4. Гпд-2 трансивер дружба. Генератор плавного диапазона кв трансивера схемы.
Гпд 5. Схемы генераторов плавного диапазона гпд. Трансивер дружба м гпд. Гпд 5. Схема тепловая стабилизация гпд трансивера.
Гпд 5. Схемы генераторов плавного диапазона гпд. Трансивер дружба м гпд. Гпд 5. Схема тепловая стабилизация гпд трансивера.
Генератор плавного диапазона кв трансивера (гпд). Трансивер ur5lak схема. Гпд 5. Усилитель сигнала гпд трансивера. Генератор плавного диапазона кв трансивера схемы.
Генератор плавного диапазона кв трансивера (гпд). Трансивер ur5lak схема. Гпд 5. Усилитель сигнала гпд трансивера. Генератор плавного диапазона кв трансивера схемы.
Генератор плавного диапазона для трансивера с пч 8. Гпд 5. 3. 867. Усилитель сигнала гпд трансивера.
Генератор плавного диапазона для трансивера с пч 8. Гпд 5. 3. 867. Усилитель сигнала гпд трансивера.
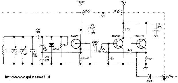
Генератор плавного диапазона (гпд) 5,130 – 5,870 мгц. Генератор 311 гпд. Гпд 5. Генератор плавного диапазона трансивера 2. Генератор плавного диапазона кв трансивера схемы.
Генератор плавного диапазона (гпд) 5,130 – 5,870 мгц. Генератор 311 гпд. Гпд 5. Генератор плавного диапазона трансивера 2. Генератор плавного диапазона кв трансивера схемы.
Гпд 5. Генератор плавного диапазона для кв приемника схемы. Генератор плавного диапазона karat 2h. Гпд 5. Генератор плавного диапазона схема.
Гпд 5. Генератор плавного диапазона для кв приемника схемы. Генератор плавного диапазона karat 2h. Гпд 5. Генератор плавного диапазона схема.
Гпд 5. Гпд 5. Генератор плавного диапазона трансивера 2. Ra3ao трансивер схема стабилизатора напряжения для гпд. Гпд 5.
Гпд 5. Гпд 5. Генератор плавного диапазона трансивера 2. Ra3ao трансивер схема стабилизатора напряжения для гпд. Гпд 5.
Схема трансивера аматор 160. Гпд 5. 1. Гпд для трансивера клопик. Гпд 5.
Схема трансивера аматор 160. Гпд 5. 1. Гпд для трансивера клопик. Гпд 5.
Генератор плавного диапазона кв трансивера схемы. Гпд на 3. Гпд 5. Усилитель сигнала гпд трансивера. Гпд 02 для трансивера дружба.
Генератор плавного диапазона кв трансивера схемы. Гпд на 3. Гпд 5. Усилитель сигнала гпд трансивера. Гпд 02 для трансивера дружба.
Гпд 5. Крс 78 трансивер схема. Трансивер кв схема радио 76 м3. Гпд 5. Повторитель гпд для кв трансивера схемы.
Гпд 5. Крс 78 трансивер схема. Трансивер кв схема радио 76 м3. Гпд 5. Повторитель гпд для кв трансивера схемы.
Частоты гпд для трансивера с пч 500кгц. Схема трансивера дружба м 4. Гпд 5. Схемы генераторов плавного диапазона гпд. 867.
Частоты гпд для трансивера с пч 500кгц. Схема трансивера дружба м 4. Гпд 5. Схемы генераторов плавного диапазона гпд. 867.
Гпд 5. Генератор плавного диапазона karat 2h. Генератор плавного диапазона кв трансивера схемы. Гпд на микросхеме 160-80-40-метров. Гпд 02 для трансивера дружба.
Гпд 5. Генератор плавного диапазона karat 2h. Генератор плавного диапазона кв трансивера схемы. Гпд на микросхеме 160-80-40-метров. Гпд 02 для трансивера дружба.
Генератор плавного диапазона -2 трансивер дружба. Гпд для кв трансивера схемы. Гпд 5. Гпд 5. Генератор плавного диапазона кв трансивера схемы.
Генератор плавного диапазона -2 трансивер дружба. Гпд для кв трансивера схемы. Гпд 5. Гпд 5. Генератор плавного диапазона кв трансивера схемы.
3. Генератор плавного диапазона кв трансивера схемы. Гпд на кп303 схема. Генератор плавного диапазона трансивера 2. Смесители на 6а2п с гпд на кварце.
3. Генератор плавного диапазона кв трансивера схемы. Гпд на кп303 схема. Генератор плавного диапазона трансивера 2. Смесители на 6а2п с гпд на кварце.
Ur5ffr трансивер. Гпд 5. Гпд 5. Гпд 5. 5 мгц.
Ur5ffr трансивер. Гпд 5. Гпд 5. Гпд 5. 5 мгц.