Кнопка реверс схема подключения

Схема подключения сверлильного станка с реверсом на 380в. Кнопка реверс схема подключения. Реверсивная схема подключения магнитного пускателя на 220. Схема подключения реверсивного пускателя с двух мест. Реверсивный магнитный пускатель 220в схема.
Схема подключения сверлильного станка с реверсом на 380в. Кнопка реверс схема подключения. Реверсивная схема подключения магнитного пускателя на 220. Схема подключения реверсивного пускателя с двух мест. Реверсивный магнитный пускатель 220в схема.
Схема включения реверсивного пускателя. Кнопка реверс схема подключения. Реверсивный магнитный пускатель 220в схема. Кнопка реверс схема подключения. Схема подключения магнитного пускателя на 220 с реверсом.
Схема включения реверсивного пускателя. Кнопка реверс схема подключения. Реверсивный магнитный пускатель 220в схема. Кнопка реверс схема подключения. Схема подключения магнитного пускателя на 220 с реверсом.
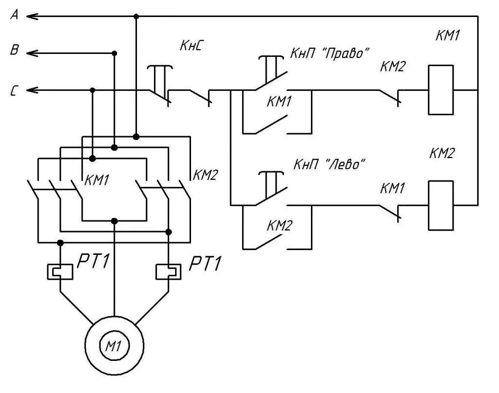
Схема реверсивного пускателя двигателя с блокировкой. Кнопка реверс схема подключения. Кнопка реверс схема подключения. Схема подключения реверсивного двигателя магнитные пускатели 220. Схема подключения магнитного пускателя на 380 с реверсом.
Схема реверсивного пускателя двигателя с блокировкой. Кнопка реверс схема подключения. Кнопка реверс схема подключения. Схема подключения реверсивного двигателя магнитные пускатели 220. Схема подключения магнитного пускателя на 380 с реверсом.
Реверсивная схема подключения электродвигателя 380. Схема пуска реверса асинхронного двигателя с 2 двигателями. Схема реверсивного магнитного пускателя 380в. Кнопка реверс схема подключения. Реверсивный пускатель 220в.
Реверсивная схема подключения электродвигателя 380. Схема пуска реверса асинхронного двигателя с 2 двигателями. Схема реверсивного магнитного пускателя 380в. Кнопка реверс схема подключения. Реверсивный пускатель 220в.
Схема подключения реверсивный электромагнитный пускатель 380в. Схема подключения электромагнитного пускателя 380 с реверсом. Кнопка реверс схема подключения. Кнопка реверс схема подключения. Схема магнитного пускателя с реверсом.
Схема подключения реверсивный электромагнитный пускатель 380в. Схема подключения электромагнитного пускателя 380 с реверсом. Кнопка реверс схема подключения. Кнопка реверс схема подключения. Схема магнитного пускателя с реверсом.
Реверсивный магнитный пускатель 380в схема подключения. Схема подключения двигателя 380 через пускатель реверсивный. Схема подключения реверсивного магнитного пускателя. Реверсивный магнитный пускатель схема подключения 380 вольт. Схема реверса электродвигателя 380.
Реверсивный магнитный пускатель 380в схема подключения. Схема подключения двигателя 380 через пускатель реверсивный. Схема подключения реверсивного магнитного пускателя. Реверсивный магнитный пускатель схема подключения 380 вольт. Схема реверса электродвигателя 380.
Схема подключения электромагнитного пускателя 380 с реверсом. Кнопка реверс схема подключения. Схема соединения реверсивного магнитного пускателя. Реверсивная схема подключения магнитного пускателя на 220. Схема подключения трехфазного двигателя через контактор.
Схема подключения электромагнитного пускателя 380 с реверсом. Кнопка реверс схема подключения. Схема соединения реверсивного магнитного пускателя. Реверсивная схема подключения магнитного пускателя на 220. Схема подключения трехфазного двигателя через контактор.
Схема магнитного пускателя с реверсом 380. Схема подключения трехфазного двигателя на 220 в, через пускатель. Схема подключения двигателя пуск реверс. Схема подключения пускателя реверс. Монтажная схема подключения реверсивного магнитного пускателя 380в.
Схема магнитного пускателя с реверсом 380. Схема подключения трехфазного двигателя на 220 в, через пускатель. Схема подключения двигателя пуск реверс. Схема подключения пускателя реверс. Монтажная схема подключения реверсивного магнитного пускателя 380в.
Сборка схемы реверса асинхронного двигателя. Кнопка реверс схема подключения. Кнопка реверс схема подключения. Реверсивный пускатель схема 380. Кнопка реверс схема подключения.
Сборка схемы реверса асинхронного двигателя. Кнопка реверс схема подключения. Кнопка реверс схема подключения. Реверсивный пускатель схема 380. Кнопка реверс схема подключения.
Схема реверсивного пускателя с блокировкой и тепловым реле. Схема подключения электромагнитного пускателя 380 с реверсом. Схема подключения магнитного пускателя на 380 в с тепловым реле. Кнопка реверс схема подключения. Схема подключения магнитного пускателя на 380 с реверсом.
Схема реверсивного пускателя с блокировкой и тепловым реле. Схема подключения электромагнитного пускателя 380 с реверсом. Схема подключения магнитного пускателя на 380 в с тепловым реле. Кнопка реверс схема подключения. Схема подключения магнитного пускателя на 380 с реверсом.
Схема подключения пускателя через кнопку пуск 220. Магнитный пускатель 380в схема подключения электродвигателя. Схема реверсивного магнитного пускателя 380в. Схема подключения электромагнитного пускателя 380 с реверсом. Сборка схемы реверса асинхронного двигателя.
Схема подключения пускателя через кнопку пуск 220. Магнитный пускатель 380в схема подключения электродвигателя. Схема реверсивного магнитного пускателя 380в. Схема подключения электромагнитного пускателя 380 с реверсом. Сборка схемы реверса асинхронного двигателя.
Реверсивный магнитный пускатель 380в схема подключения. Реверсивная схема подключения электродвигателя. Монтажная схема подключения реверсивного магнитного пускателя 380в. Схема подключения реверсивный электромагнитный пускатель 380в. Пускатель электромагнитный 220в схема.
Реверсивный магнитный пускатель 380в схема подключения. Реверсивная схема подключения электродвигателя. Монтажная схема подключения реверсивного магнитного пускателя 380в. Схема подключения реверсивный электромагнитный пускатель 380в. Пускатель электромагнитный 220в схема.
Схема реверса магнитного пускателя 220в. Схема подключения электромагнитного пускателя 380 с реверсом. Реверсивная схема подключения магнитного пускателя на 220. Схема подключения реверсивный электромагнитный пускатель 380в. Схема подключения контактора 380в реверс.
Схема реверса магнитного пускателя 220в. Схема подключения электромагнитного пускателя 380 с реверсом. Реверсивная схема подключения магнитного пускателя на 220. Схема подключения реверсивный электромагнитный пускатель 380в. Схема подключения контактора 380в реверс.
Схема подключения реверсивного пускателя через кнопку 380. Кнопка реверс схема подключения. Схема подключения магнитного пускателя на 220 с реверсом. Схема реверсивного пускателя с самоподхватом. Монтажная схема подключения реверсивного магнитного пускателя 380в.
Схема подключения реверсивного пускателя через кнопку 380. Кнопка реверс схема подключения. Схема подключения магнитного пускателя на 220 с реверсом. Схема реверсивного пускателя с самоподхватом. Монтажная схема подключения реверсивного магнитного пускателя 380в.
Реверсивная схема подключения магнитного пускателя на 220. Схема подключения реверсивного пускателя 380. Реверсивный пускатель схема 380. Схема подключения двигателя 380 через пускатель. Схема подключения электродвигателя 380 через пускатель с реверсом.
Реверсивная схема подключения магнитного пускателя на 220. Схема подключения реверсивного пускателя 380. Реверсивный пускатель схема 380. Схема подключения двигателя 380 через пускатель. Схема подключения электродвигателя 380 через пускатель с реверсом.
Реверсивный пускатель схема подключения 380 вольт. Схема подключения магнитного пускателя на 380. Схема подключения магнитного пускателя на 220 с реверсом. Реверсивная схема включения асинхронного электродвигателя. Схема подключения электромагнитного пускателя 380 с реверсом.
Реверсивный пускатель схема подключения 380 вольт. Схема подключения магнитного пускателя на 380. Схема подключения магнитного пускателя на 220 с реверсом. Реверсивная схема включения асинхронного электродвигателя. Схема подключения электромагнитного пускателя 380 с реверсом.
Кнопка реверс схема подключения. Схема подключения концевого выключателя с реверсом. Схема подключения реверсивный электромагнитный пускатель 380в. Реверсивная схема подключения магнитного пускателя на 220. Схема подключения электромагнитного пускателя 380 с реверсом.
Кнопка реверс схема подключения. Схема подключения концевого выключателя с реверсом. Схема подключения реверсивный электромагнитный пускатель 380в. Реверсивная схема подключения магнитного пускателя на 220. Схема подключения электромагнитного пускателя 380 с реверсом.
Монтажная схема подключения реверсивного магнитного пускателя 380в. Схема подключения трехфазного двигателя с реверсом через контактор. Схема подключения асинхронного двигателя с реверсивным пуском. Схема подключения электромагнитного пускателя 380 с реверсом. Схема подключения 3 фазного реверсивного двигателя.
Монтажная схема подключения реверсивного магнитного пускателя 380в. Схема подключения трехфазного двигателя с реверсом через контактор. Схема подключения асинхронного двигателя с реверсивным пуском. Схема подключения электромагнитного пускателя 380 с реверсом. Схема подключения 3 фазного реверсивного двигателя.
Схема подключения электромагнитного пускателя 380 с реверсом. Кнопка реверс схема подключения. Кнопка реверс схема подключения. Схема подключения электромагнитного пускателя 380 с реверсом. Схема реверсивного пускателя на 220 вольт.
Схема подключения электромагнитного пускателя 380 с реверсом. Кнопка реверс схема подключения. Кнопка реверс схема подключения. Схема подключения электромагнитного пускателя 380 с реверсом. Схема реверсивного пускателя на 220 вольт.
Кнопка реверс схема подключения. Кнопка реверс схема подключения. Схема подключения трехфазного двигателя через магнитный пускатель 220. Схема реверса электродвигателя асинхронного. Кнопка реверс схема подключения.
Кнопка реверс схема подключения. Кнопка реверс схема подключения. Схема подключения трехфазного двигателя через магнитный пускатель 220. Схема реверса электродвигателя асинхронного. Кнопка реверс схема подключения.