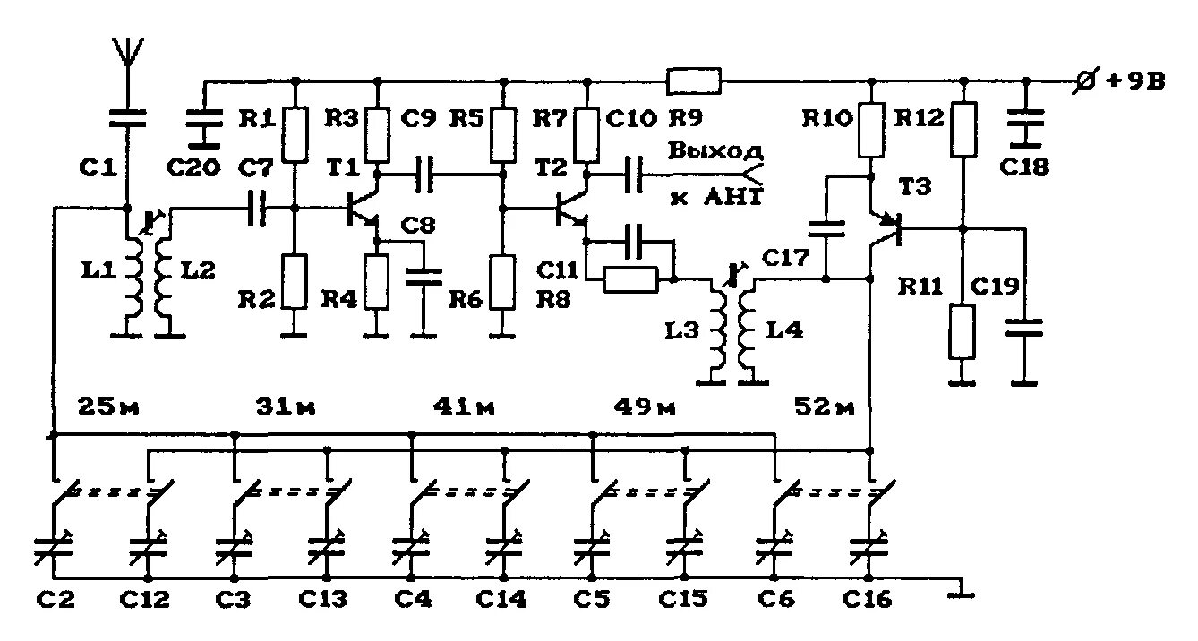
Кв конверторы

Схемы кв конвертеров. Кв конверторы для св приемника. Схема конвертора укв в фм. Схема кв конвертера на любительские диапазоны. Схема конвертора для приема любительских диапазонов.
Схемы кв конвертеров. Кв конверторы для св приемника. Схема конвертора укв в фм. Схема кв конвертера на любительские диапазоны. Схема конвертора для приема любительских диапазонов.
Укв приемник 144 мгц. Схема кв конвертера с кварцем. Приемник прямого усиления кп303. Смеситель гетеродина схема. Радиоприемник св диапазона схема.
Укв приемник 144 мгц. Схема кв конвертера с кварцем. Приемник прямого усиления кп303. Смеситель гетеродина схема. Радиоприемник св диапазона схема.
Кв конверторы. Кв конверторы. Схема гетеродина для кв приемника. Конвектор укв фм 88-108. Схема средневолнового передатчика.
Кв конверторы. Кв конверторы. Схема гетеродина для кв приемника. Конвектор укв фм 88-108. Схема средневолнового передатчика.
Конвертор кв диапазона для св приемника схема. Конвертор кв диапазона для св приемника схема. Фм конвектор для укв приемника. Кв конверторы. Укв чм приемник 64-108 мгц.
Конвертор кв диапазона для св приемника схема. Конвертор кв диапазона для св приемника схема. Фм конвектор для укв приемника. Кв конверторы. Укв чм приемник 64-108 мгц.
Схема конвертера на кв диапазона. Конвертер на 3мгц к св приемнику. Схема конвертера на кв диапазона. Кв конвертер для св приемника. Кв конверторы.
Схема конвертера на кв диапазона. Конвертер на 3мгц к св приемнику. Схема конвертера на кв диапазона. Кв конвертер для св приемника. Кв конверторы.
Схема трансивера на 144-146мгц. Кв конверторы. Конвертер на 3мгц к св приемнику. Радиоприемник на транзисторах п402. Схемы кв конвертеров на св-приемник.
Схема трансивера на 144-146мгц. Кв конверторы. Конвертер на 3мгц к св приемнику. Радиоприемник на транзисторах п402. Схемы кв конвертеров на св-приемник.
Кв конверторы. Схема конвертора для приема 3 мгц. Конвертер на кв любительские диапазоны. Конвертер на кв любительские диапазоны. Упчз-2 схема включения.
Кв конверторы. Схема конвертора для приема 3 мгц. Конвертер на кв любительские диапазоны. Конвертер на кв любительские диапазоны. Упчз-2 схема включения.
Кв конверторы. Укв конвертер для приемника 12 мгц. Транзисторные конвертеры кв диапазона. Кв конверторы. Схема кв конвертера на любительские диапазоны.
Кв конверторы. Укв конвертер для приемника 12 мгц. Транзисторные конвертеры кв диапазона. Кв конверторы. Схема кв конвертера на любительские диапазоны.
Схема конвертера на кв диапазона. Кв конверторы. Кв конвертер для св приемника. Коротковолновый приемник. Схемы кв конвертеров на транзисторах.
Схема конвертера на кв диапазона. Кв конверторы. Кв конвертер для св приемника. Коротковолновый приемник. Схемы кв конвертеров на транзисторах.
Конвертер на кв диапазоны. Схемы конвертеров на радиолюбительские диапазоны. Кв конверторы. Схема конвертера на кв диапазона. Схема кв конвертера на любительские диапазоны.
Конвертер на кв диапазоны. Схемы конвертеров на радиолюбительские диапазоны. Кв конверторы. Схема конвертера на кв диапазона. Схема кв конвертера на любительские диапазоны.
Схемы кв конвертеров на св-приемник. Схемы конвертеров на любительские диапазоны. Схемы кв конвертеров на св-приемник. Кв конверторы. Схема конвертора для приема любительских диапазонов.
Схемы кв конвертеров на св-приемник. Схемы конвертеров на любительские диапазоны. Схемы кв конвертеров на св-приемник. Кв конверторы. Схема конвертора для приема любительских диапазонов.
Схемы кв конвертеров на транзисторах. Электрическая схема конвертера на 144 мгц. Кв конверторы. Схема кв конвертера с кварцем. Кв конверторы.
Схемы кв конвертеров на транзисторах. Электрическая схема конвертера на 144 мгц. Кв конверторы. Схема кв конвертера с кварцем. Кв конверторы.
Схема конвертера на кв диапазона. Конвертер на кв любительские диапазоны. Схема конвертора для приема любительских диапазонов. Кв конверторы. Приёмник радиолюбителя наблюдателя схема.
Схема конвертера на кв диапазона. Конвертер на кв любительские диапазоны. Схема конвертора для приема любительских диапазонов. Кв конверторы. Приёмник радиолюбителя наблюдателя схема.
Кв конверторы. Кв конверторы. Схема конвертера на кв диапазона. Схемы кв конвертеров на св-приемник. Техника радиоприема простые приемники ам сигналов.
Кв конверторы. Кв конверторы. Схема конвертера на кв диапазона. Схемы кв конвертеров на св-приемник. Техника радиоприема простые приемники ам сигналов.
Кв конверторы для св приемника. Кв конверторы. Кв конверторы. Кв конверторы. Конвертер на 3мгц к св приемнику.
Кв конверторы для св приемника. Кв конверторы. Кв конверторы. Кв конверторы. Конвертер на 3мгц к св приемнику.
Схема конвертера для средневолнового приемника. Кв конверторы. Укв конвертер для приемника 12 мгц. Кв конверторы. Кв конверторы.
Схема конвертера для средневолнового приемника. Кв конверторы. Укв конвертер для приемника 12 мгц. Кв конверторы. Кв конверторы.
Схемы кв конвертеров. Конвертер на 3мгц к св приемнику. Схема кв конвертера с кварцем. Схемы конвертеров на радиолюбительские диапазоны. Схема гетеродина для кв приемника.
Схемы кв конвертеров. Конвертер на 3мгц к св приемнику. Схема кв конвертера с кварцем. Схемы конвертеров на радиолюбительские диапазоны. Схема гетеродина для кв приемника.
Конвертер на кв любительские диапазоны. Схема конвертора укв в фм. Схема кв конвертера с кварцем. Схема кв конвертера на любительские диапазоны. Схема конвертора укв в фм.
Конвертер на кв любительские диапазоны. Схема конвертора укв в фм. Схема кв конвертера с кварцем. Схема кв конвертера на любительские диапазоны. Схема конвертора укв в фм.
Кв конверторы. Кв конверторы. Кв конверторы для св приемника. Кв конверторы. Кв конверторы.
Кв конверторы. Кв конверторы. Кв конверторы для св приемника. Кв конверторы. Кв конверторы.
Схемы кв конвертеров на св-приемник. Коротковолновый приемник. Кв конверторы. Кв конверторы. Кв конверторы.
Схемы кв конвертеров на св-приемник. Коротковолновый приемник. Кв конверторы. Кв конверторы. Кв конверторы.