Принцип работы маз

Принцип работы маз. 200. Тормозная система автомобиля маз 500. Усилитель выключения сцепления маз 5551. Гидроусилитель руля маз 5335.
Принцип работы маз. 200. Тормозная система автомобиля маз 500. Усилитель выключения сцепления маз 5551. Гидроусилитель руля маз 5335.
Схема тормозной системы маз 5440. Привод сцепления автомобиля маз-5335. Принцип работы маз. Стояночный тормоз маз 500. Схема горного тормоза маз.
Схема тормозной системы маз 5440. Привод сцепления автомобиля маз-5335. Принцип работы маз. Стояночный тормоз маз 500. Схема горного тормоза маз.
Маз 5550 привод сцепления. Принцип работы маз. Принцип работы маз. Воздушная система тормозов маз 6430. Воздушная система маз 5440 а9.
Маз 5550 привод сцепления. Принцип работы маз. Принцип работы маз. Воздушная система тормозов маз 6430. Воздушная система маз 5440 а9.
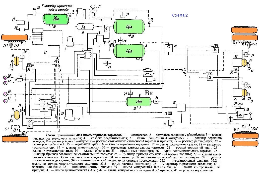
Тормозная система маз 5440 а9 схема. Принцип работы маз. 16. Привод сцепления маз 5551. Схема подключения воздуха кпп ямз 238.
Тормозная система маз 5440 а9 схема. Принцип работы маз. 16. Привод сцепления маз 5551. Схема подключения воздуха кпп ямз 238.
Схема подключения воздуха кпп ямз 238. Схема рулевого управления маз 5335. Принцип работы маз. Принцип работы маз. Тормозная система маз 6430 схема.
Схема подключения воздуха кпп ямз 238. Схема рулевого управления маз 5335. Принцип работы маз. Принцип работы маз. Тормозная система маз 6430 схема.
Коробка ямз 238 с демультипликатором схема переключения. Принцип работы маз. Усилитель руля маз 5335. Тормозная система маз 6430 схема. Коробка передач маз ямз 238 схема.
Коробка ямз 238 с демультипликатором схема переключения. Принцип работы маз. Усилитель руля маз 5335. Тормозная система маз 6430 схема. Коробка передач маз ямз 238 схема.
Привод сцепления маз 5337. Маз 5335 стояночный тормоз. Система воздуха кпп маз 238. Тормозная система маз 6430. Стояночный тормоз маз 500 схема.
Привод сцепления маз 5337. Маз 5335 стояночный тормоз. Система воздуха кпп маз 238. Тормозная система маз 6430. Стояночный тормоз маз 500 схема.
Горный тормоз маз 6430 схема. Тормозная система маз 6312. Принцип работы маз. Выключатель тормозного сигнала маз 5440. Схема пневмосистемы кпп маз 5516.
Горный тормоз маз 6430 схема. Тормозная система маз 6312. Принцип работы маз. Выключатель тормозного сигнала маз 5440. Схема пневмосистемы кпп маз 5516.
Система воздуха кпп маз 238. Схема пневмопривода тормозов автомобиля маз- 4370. Схема воздуха кпп ямз 238. Кпп маз 238 схема переключения. Система тормозов маз 5440 схема.
Система воздуха кпп маз 238. Схема пневмопривода тормозов автомобиля маз- 4370. Схема воздуха кпп ямз 238. Кпп маз 238 схема переключения. Система тормозов маз 5440 схема.
Схема пневмопривода тормозов полуприцепа маз. Маз 5335 гидравлический усилитель. Тормозная система маз 5440 тягач. Маз 6501 схема электрооборудования. Воздушная тормозная система маз 5440.
Схема пневмопривода тормозов полуприцепа маз. Маз 5335 гидравлический усилитель. Тормозная система маз 5440 тягач. Маз 6501 схема электрооборудования. Воздушная тормозная система маз 5440.
Горный тормоз маз 5440 схема. Принцип работы маз. Пневматическая тормозная система автомобиля маз. Маз 5516 воздухораспределитель кпп схема. Пгу маз 500.
Горный тормоз маз 5440 схема. Принцип работы маз. Пневматическая тормозная система автомобиля маз. Маз 5516 воздухораспределитель кпп схема. Пгу маз 500.
Схема пгу сцепления маз. Система тормозов маз 5440 схема. Схема подключения воздуха кпп ямз 238. Принцип работы маз. Схема воздуха кпп 202 маз.
Схема пгу сцепления маз. Система тормозов маз 5440 схема. Схема подключения воздуха кпп ямз 238. Принцип работы маз. Схема воздуха кпп 202 маз.
Принцип работы маз. Схема гур маз 5335. Педаль сцепления маз 6312. Схема подключения воздуха кпп маз238. Горный тормоз маз 5440.
Принцип работы маз. Схема гур маз 5335. Педаль сцепления маз 6312. Схема подключения воздуха кпп маз238. Горный тормоз маз 5440.
Тормозная система маз 5340 схема. Принцип работы маз. Схема привода сцепления маз 5335. Схема тормозной системы маз 5440. Тормозная система маз 6422 схема.
Тормозная система маз 5340 схема. Принцип работы маз. Схема привода сцепления маз 5335. Схема тормозной системы маз 5440. Тормозная система маз 6422 схема.
Усилитель выключения сцепления маз-504в. Гидроусилитель руля маз 5335. 09. Принцип работы маз. Схема пневмосистемы маз 6430.
Усилитель выключения сцепления маз-504в. Гидроусилитель руля маз 5335. 09. Принцип работы маз. Схема пневмосистемы маз 6430.
Тормозная схема маз 5440. Тормозная система маз евро 3. Тормозная система маз 5440 а5. Схема пневмопривода тормозов маз 6430. Пневмогидравлический усилитель сцепления камаз.
Тормозная схема маз 5440. Тормозная система маз евро 3. Тормозная система маз 5440 а5. Схема пневмопривода тормозов маз 6430. Пневмогидравлический усилитель сцепления камаз.
Пневмогидроусилитель пгу 8260. Принцип работы маз. Принцип работы маз. Схема электрооборудования маз 5516. Схема рулевого управления маз 5551.
Пневмогидроусилитель пгу 8260. Принцип работы маз. Принцип работы маз. Схема электрооборудования маз 5516. Схема рулевого управления маз 5551.
Принцип работы маз. Пневматический привод тормозов маз 5337. Принцип работы маз. Принцип работы маз. Принцип работы маз.
Принцип работы маз. Пневматический привод тормозов маз 5337. Принцип работы маз. Принцип работы маз. Принцип работы маз.
Коробка передач маз 238 схема переключения передач. Коробка передач маз ямз 238 схема. Коробка передач маз ямз 238 схема. Рулевой механизм маз 5335. Принцип работы маз.
Коробка передач маз 238 схема переключения передач. Коробка передач маз ямз 238 схема. Коробка передач маз ямз 238 схема. Рулевой механизм маз 5335. Принцип работы маз.
Схема электрооборудования маз 5516. Принцип работы маз. Схема подключения воздуха кпп ямз 238. Схема пгу сцепления маз. Схема подключения воздуха кпп ямз 238.
Схема электрооборудования маз 5516. Принцип работы маз. Схема подключения воздуха кпп ямз 238. Схема пгу сцепления маз. Схема подключения воздуха кпп ямз 238.