Схема двери газель

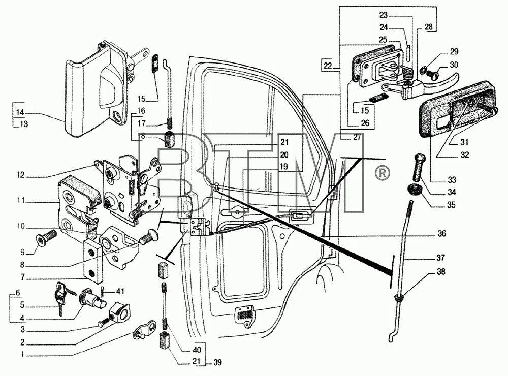
Схема замка двери газель 3302. Схема двери газель. Механизм открывания двери газель 3302 старого образца. Замок двери передний газ 3302. Замок боковой двери газ 2705.
Схема замка двери газель 3302. Схема двери газель. Механизм открывания двери газель 3302 старого образца. Замок двери передний газ 3302. Замок боковой двери газ 2705.
Схема двери газель. Габариты кабины газель некст. Механизм замка сдвижной двери газель 2705. Механизм открывания передней двери газ 3302. Схема двери газель.
Схема двери газель. Габариты кабины газель некст. Механизм замка сдвижной двери газель 2705. Механизм открывания передней двери газ 3302. Схема двери газель.
Замок двери газель 3302 на двери. Замок задней двери газель 2705 схема. Схема двери газель. Дверь задка соболь баргузин схема. Механизм замка задней двери двери газель 2705.
Замок двери газель 3302 на двери. Замок задней двери газель 2705 схема. Схема двери газель. Дверь задка соболь баргузин схема. Механизм замка задней двери двери газель 2705.
Замок задней двери газель 2705. Механизм задней двери газ 2705 схема. Схема двери газель. Привод замка левый газ 3302. Габариты газель некст фермер кабины.
Замок задней двери газель 2705. Механизм задней двери газ 2705 схема. Схема двери газель. Привод замка левый газ 3302. Габариты газель некст фермер кабины.
Схема двери газель. Дверь задка газ 2705 схема. Механизм замка задней двери двери газель 2705. Схема стеклоподъёмника газель бизнес. Сдвижная дверь газ 2705 схема.
Схема двери газель. Дверь задка газ 2705 схема. Механизм замка задней двери двери газель 2705. Схема стеклоподъёмника газель бизнес. Сдвижная дверь газ 2705 схема.
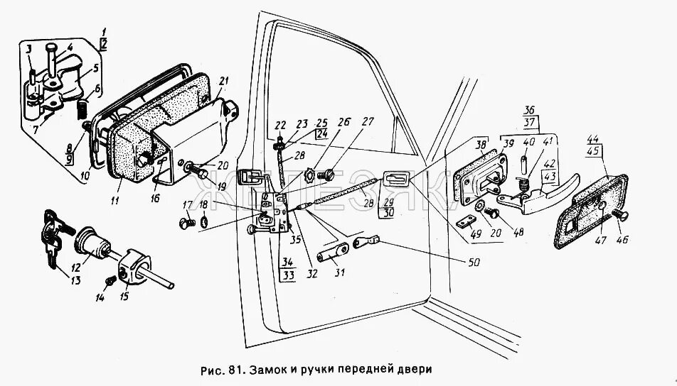
Замок водительской двери газель 2705. Тяги замка задней двери газель 2705. Замок водительской двери газ 3302. Схема задний ручки двери соболь. Замок двери 3302 схема.
Замок водительской двери газель 2705. Тяги замка задней двери газель 2705. Замок водительской двери газ 3302. Схема задний ручки двери соболь. Замок двери 3302 схема.
Кронштейн привода замка двери газ 3302. Тяга замка двери газель 2705. Схема двери газель. Схема двери газель. Схема двери газель.
Кронштейн привода замка двери газ 3302. Тяга замка двери газель 2705. Схема двери газель. Схема двери газель. Схема двери газель.
Тяги замка задней двери газель 2705. Дверь боковая сдвижная газель 2705. Замок задней левой двери газель 2705 схема. Стеклоподъёмники газель 3302 схема. Схема заднего замка газель 2705.
Тяги замка задней двери газель 2705. Дверь боковая сдвижная газель 2705. Замок задней левой двери газель 2705 схема. Стеклоподъёмники газель 3302 схема. Схема заднего замка газель 2705.
Механизм замка двери соболь 2752. Схема двери газель. Замок передней двери 3302 схема. Механизм задней двери газ 2705 схема. Схема двери газель.
Механизм замка двери соболь 2752. Схема двери газель. Замок передней двери 3302 схема. Механизм задней двери газ 2705 схема. Схема двери газель.
Схема двери газель. Схема двери газель. Схема двери газель. Уплотнитель стекла двери газель 3302. Тяга замка газель 3302.
Схема двери газель. Схема двери газель. Схема двери газель. Уплотнитель стекла двери газель 3302. Тяга замка газель 3302.
Замок двери газель 3302 левый схема. Механизм открывания боковой двери газель 3302. Механизм замка задней двери газ 2705. Механизм замка задней двери газ 2705. Уплотнитель ограничения двери газель 3302 2008.
Замок двери газель 3302 левый схема. Механизм открывания боковой двери газель 3302. Механизм замка задней двери газ 2705. Механизм замка задней двери газ 2705. Уплотнитель ограничения двери газель 3302 2008.
Тяга ручки двери двери газель 3302. Механизм замка задней двери газель 2705. Стекло боковое двери газель 3302 размер. Замок двери передний газ 3302. Замок двери газель 3302 левый схема.
Тяга ручки двери двери газель 3302. Механизм замка задней двери газель 2705. Стекло боковое двери газель 3302 размер. Замок двери передний газ 3302. Замок двери газель 3302 левый схема.
Тяга ручки двери двери газель 3302. Тяга ручки двери двери газель 3302. Схема двери газель. Газель 2705 замки дверей. Замок задней двери газель 32213.
Тяга ручки двери двери газель 3302. Тяга ручки двери двери газель 3302. Схема двери газель. Газель 2705 замки дверей. Замок задней двери газель 32213.
Механизм замка задней двери газ 2705. Схема двери газель. Схема установки замков задних дверей газель 2705. Механизм замка задней двери газель 2705. Замок сдвижной двери газель 2705 схема.
Механизм замка задней двери газ 2705. Схема двери газель. Схема установки замков задних дверей газель 2705. Механизм замка задней двери газель 2705. Замок сдвижной двери газель 2705 схема.
Замок задней левой двери газель 2705 схема. Схема двери газель. Газель next дверь задняя размер. Схема двери газель. Механизм ручки двери газель 3302.
Замок задней левой двери газель 2705 схема. Схема двери газель. Газель next дверь задняя размер. Схема двери газель. Механизм ручки двери газель 3302.
Замок задней двери газ 2705. Механизм замка двери газель 3302. Замок передней двери газ 24. Дверь передняя газ 2705 схема замка двери. Механизм открывания двери газель 3302.
Замок задней двери газ 2705. Механизм замка двери газель 3302. Замок передней двери газ 24. Дверь передняя газ 2705 схема замка двери. Механизм открывания двери газель 3302.
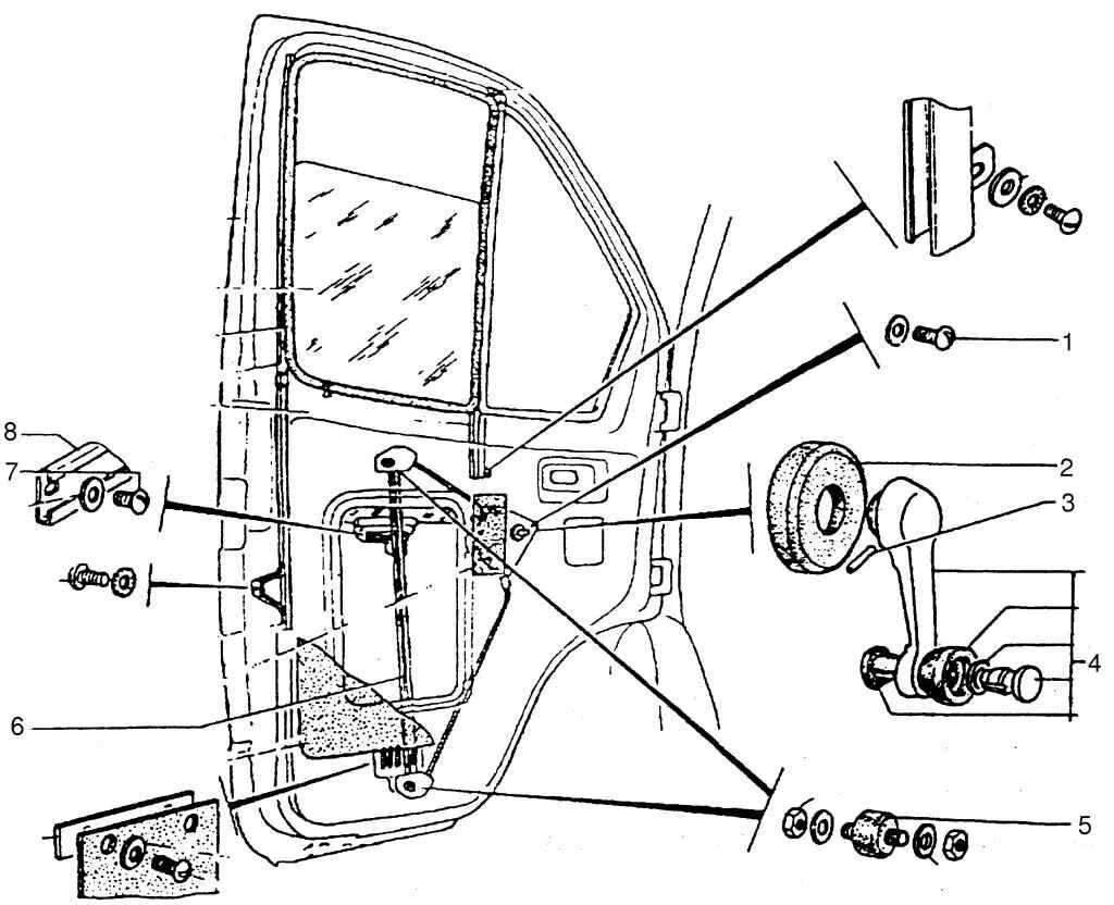
Замок водительской двери газель 3302. Стеклоподъемник газель 3302 схема. Стеклоподъемник газель 3302 схема. Механизм ручки двери газель 3302. Схема двери газель.
Замок водительской двери газель 3302. Стеклоподъемник газель 3302 схема. Стеклоподъемник газель 3302 схема. Механизм ручки двери газель 3302. Схема двери газель.
Схема замка двери газель некст. Механизм стеклоподъемника газель 2705. Высота кабиы газель нехт фермер. Замок боковой двери газель 2705. Механизм замка задней двери газ 2705.
Схема замка двери газель некст. Механизм стеклоподъемника газель 2705. Высота кабиы газель нехт фермер. Замок боковой двери газель 2705. Механизм замка задней двери газ 2705.
Устройство задней двери газель 2705. Механизм замка задней двери газель 2705. Замок боковой двери газ 2705. Замок двери газель 3302 левый схема. Дверь передняя газ 2705 схема замка двери.
Устройство задней двери газель 2705. Механизм замка задней двери газель 2705. Замок боковой двери газ 2705. Замок двери газель 3302 левый схема. Дверь передняя газ 2705 схема замка двери.
Передней двери газель некст схема. Механизм замка задней двери газель 2705. Схема двери газель. Тяги замка сдвижной двери газель 2705. Механизм открывания передней двери газ 3302.
Передней двери газель некст схема. Механизм замка задней двери газель 2705. Схема двери газель. Тяги замка сдвижной двери газель 2705. Механизм открывания передней двери газ 3302.