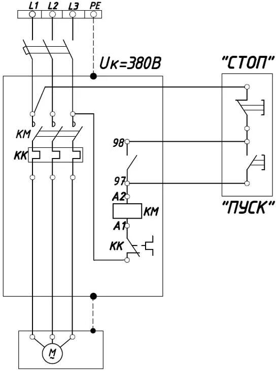
Схема управления пускателем

Схема управления пускателем. Схема подключения двигателя 380 через пускатель. Схема однофазного магнитного пускателя. Реверсивная схема подключения магнитного пускателя на 220. Схема управления пускателем.
Схема управления пускателем. Схема подключения двигателя 380 через пускатель. Схема однофазного магнитного пускателя. Реверсивная схема подключения магнитного пускателя на 220. Схема управления пускателем.
Схема нереверсивного магнитного пускателя. Схема подключения пускателя через кнопку 380. Схема управления пускателем. Схема управления пускателем. Схема подключения магнитного пускателя на 380 в с тепловым реле.
Схема нереверсивного магнитного пускателя. Схема подключения пускателя через кнопку 380. Схема управления пускателем. Схема управления пускателем. Схема подключения магнитного пускателя на 380 в с тепловым реле.
Схема включения пускателя с катушкой 380. Контактор пускатель схема. Схема подключения электромагнитного пускателя 380 с реверсом. Магнитный пускатель 380в схема подключения электродвигателя. Схема подключения 3 фазного реверсивного двигателя.
Схема включения пускателя с катушкой 380. Контактор пускатель схема. Схема подключения электромагнитного пускателя 380 с реверсом. Магнитный пускатель 380в схема подключения электродвигателя. Схема подключения 3 фазного реверсивного двигателя.
Схема управления пускателем. Схема управления пускателем. Магнитный пускатель 380в схема подключения электродвигателя. Схема подключения трехфазного магнитного пускателя. Схема магнитного пускателя.
Схема управления пускателем. Схема управления пускателем. Магнитный пускатель 380в схема подключения электродвигателя. Схема подключения трехфазного магнитного пускателя. Схема магнитного пускателя.
Схема управления пускателем. Схема подключения магнитного пускателя на 380. Схема подключения пускателя через кнопку пуск 220. Схема подключения трехфазного двигателя на 220 в, через пускатель. Схема управления асинхронным двигателем с короткозамкнутым ротором.
Схема управления пускателем. Схема подключения магнитного пускателя на 380. Схема подключения пускателя через кнопку пуск 220. Схема подключения трехфазного двигателя на 220 в, через пускатель. Схема управления асинхронным двигателем с короткозамкнутым ротором.
Схема подключения трехфазного двигателя через контактор. Схема подключения магнитного пускателя на 380. Схема подключения пускателя через кнопку пуск 220. Схема подключения электродвигателя 380 через пускатель с реверсом. Схема управления пускателем.
Схема подключения трехфазного двигателя через контактор. Схема подключения магнитного пускателя на 380. Схема подключения пускателя через кнопку пуск 220. Схема подключения электродвигателя 380 через пускатель с реверсом. Схема управления пускателем.
Схема управления пускателем. Пускатель электромагнитный 220в схема подключения. Схема подключения контактора 220в однофазного. Схема подключения магнитного пускателя на 380 через кнопку пуск стоп. Схема подключения электромагнитного пускателя 380 с реверсом.
Схема управления пускателем. Пускатель электромагнитный 220в схема подключения. Схема подключения контактора 220в однофазного. Схема подключения магнитного пускателя на 380 через кнопку пуск стоп. Схема подключения электромагнитного пускателя 380 с реверсом.
Схема электрическая принципиальная электромагнитного пускателя. Схема подключения магнитного пускателя на 220. Схема магнитного пускателя реверсивного 220 вольт. Схема подключения магнитного пускателя на 220. Схема подключения пускателя через выключатель 380.
Схема электрическая принципиальная электромагнитного пускателя. Схема подключения магнитного пускателя на 220. Схема магнитного пускателя реверсивного 220 вольт. Схема подключения магнитного пускателя на 220. Схема подключения пускателя через выключатель 380.
Схема подключения эл двигателя через пускатель. Схема управления пускателем. Схема нереверсивного пуска электродвигателя. Схема подключения магнитного пускателя с катушкой на 220. Пускатель электромагнитный 380в схема подключения.
Схема подключения эл двигателя через пускатель. Схема управления пускателем. Схема нереверсивного пуска электродвигателя. Схема подключения магнитного пускателя с катушкой на 220. Пускатель электромагнитный 380в схема подключения.
Электрическая схема включения магнитного пускателя. Эл магнитный пускатель 380в схема подключения. Схема управления пускателем. Магнитный пускатель 380в схема подключения электродвигателя. Схема включения нереверсивного магнитного пускателя.
Электрическая схема включения магнитного пускателя. Эл магнитный пускатель 380в схема подключения. Схема управления пускателем. Магнитный пускатель 380в схема подключения электродвигателя. Схема включения нереверсивного магнитного пускателя.
Реверсивная схема подключения электродвигателя 380. Схема управления пускателем. Реверсивная схема подключения магнитного пускателя на 220. Схема подключения реверсивного магнитного пускателя на 220 вольт. Пускатель электромагнитный 220в трехфазный схема подключения.
Реверсивная схема подключения электродвигателя 380. Схема управления пускателем. Реверсивная схема подключения магнитного пускателя на 220. Схема подключения реверсивного магнитного пускателя на 220 вольт. Пускатель электромагнитный 220в трехфазный схема подключения.
Схема подключения магнитного пускателя на 380. Схема управления двигателем через контактор. Схема включения магнитного пускателя. Схема управления пускателем. Пускатель магнитный 380в схема реверсивного пускателя.
Схема подключения магнитного пускателя на 380. Схема управления двигателем через контактор. Схема включения магнитного пускателя. Схема управления пускателем. Пускатель магнитный 380в схема реверсивного пускателя.
Схема подключения пускателя через кнопку пуск 220. Схема подключения реверсивного пускателя с тепловым реле. Схема включения пускателя с катушкой на 220. Подключение мотора через пускатель 380в схема. Схема подключения магнитного пускателя на 220.
Схема подключения пускателя через кнопку пуск 220. Схема подключения реверсивного пускателя с тепловым реле. Схема включения пускателя с катушкой на 220. Подключение мотора через пускатель 380в схема. Схема подключения магнитного пускателя на 220.
Схема подключения реверсивного магнитного пускателя. Эл схема подключения контактора. Схема подключения реверсивный электромагнитный пускатель 380в. Схема управления пускателем. Схема подключения электромагнитного пускателя 380 с реверсом.
Схема подключения реверсивного магнитного пускателя. Эл схема подключения контактора. Схема подключения реверсивный электромагнитный пускатель 380в. Схема управления пускателем. Схема подключения электромагнитного пускателя 380 с реверсом.
Схема подключения через пускатель 220 в. Схема управления пускателем. Схема подключения магнитного пускателя на 380. Пускатель электромагнитный 380в схема подключения. Схема подключения магнитного пускателя с катушкой на 220.
Схема подключения через пускатель 220 в. Схема управления пускателем. Схема подключения магнитного пускателя на 380. Пускатель электромагнитный 380в схема подключения. Схема подключения магнитного пускателя с катушкой на 220.
Реверсивный магнитный пускатель 380в схема подключения. Схема подключения реверсивного магнитного пускателя. Схема коллекторного двигателя с магнитным пускателем. Схема подключения пускателя через кнопку 380. Пускатель электромагнитный 380в схема подключения.
Реверсивный магнитный пускатель 380в схема подключения. Схема подключения реверсивного магнитного пускателя. Схема коллекторного двигателя с магнитным пускателем. Схема подключения пускателя через кнопку 380. Пускатель электромагнитный 380в схема подключения.
Кнопка пускатель для электродвигателей 380 схема подключения. Схема подключения магнитного пускателя с катушкой на 220. Схема нереверсивного магнитного пускателя. Схема подключения магнитного пускателя на 220. Монтажная схема подключения реверсивного магнитного пускателя 380в.
Кнопка пускатель для электродвигателей 380 схема подключения. Схема подключения магнитного пускателя с катушкой на 220. Схема нереверсивного магнитного пускателя. Схема подключения магнитного пускателя на 220. Монтажная схема подключения реверсивного магнитного пускателя 380в.
Схема управления пускателем. Схема подключения трёхфазного реверсивного двигателя 220в. Пускатель электромагнитный 220в однофазный схема подключения. Схема управления пускателем. Нереверсивная схема подключения магнитного пускателя монтажная.
Схема управления пускателем. Схема подключения трёхфазного реверсивного двигателя 220в. Пускатель электромагнитный 220в однофазный схема подключения. Схема управления пускателем. Нереверсивная схема подключения магнитного пускателя монтажная.
Тепловое реле для электродвигателя трёхфазного схема. Схема управления пускателем. Схема подключения пускателя с катушкой 220в. Схема управления пускателем. Схема управления пускателем.
Тепловое реле для электродвигателя трёхфазного схема. Схема управления пускателем. Схема подключения пускателя с катушкой 220в. Схема управления пускателем. Схема управления пускателем.
Схема подключения пускателя через кнопку пуск 220. Схема управления пускателем. Монтажная схема подключения реверсивного магнитного пускателя 380в. Схема электрическая принципиальная электромагнитного пускателя. Схема подключения пускателя через кнопку 380.
Схема подключения пускателя через кнопку пуск 220. Схема управления пускателем. Монтажная схема подключения реверсивного магнитного пускателя 380в. Схема электрическая принципиальная электромагнитного пускателя. Схема подключения пускателя через кнопку 380.